武芯烧录器支持德州仪器(TI) MSP430F14x、MSP430F13x、MSP430F14x1系列芯片编程烧录
发布时间:2026-02-05 09:42:12
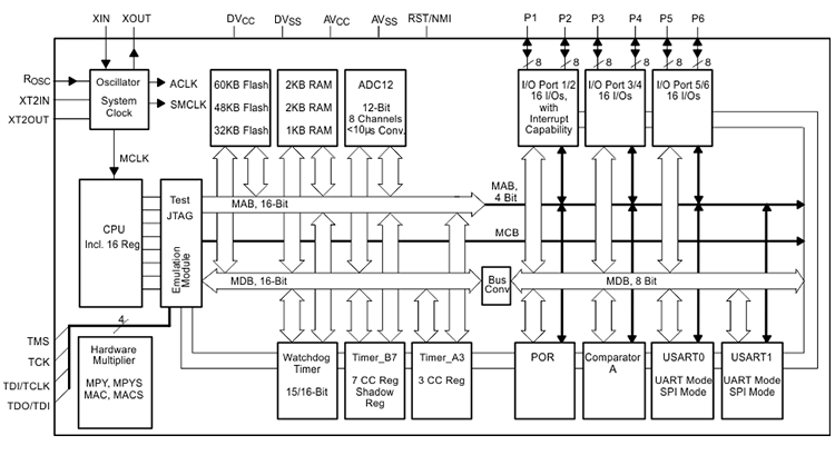
MSP430F14x、MSP430F13x、MSP430F14x1作为MSP430™系列的成员,是德州仪器(TI)推出的以超低功耗为核心优势的16位微控制器,专为便携式测量与电池供电应用而生。MSP430™系列搭载功能强大的16位RISC CPU,配合16位寄存器和独特的常量生成器设计,能够显著提升代码执行效率,在有限的存储资源下实现更复杂的功能。MSP430家族拥有丰富的器件型号,各型号通过不同的外设组合来精准匹配多样化的应用需求。其创新的架构融合了五种低功耗工作模式,可根据任务负载智能切换,最大限度地延长电池寿命。更值得一提的是,芯片内置的数控振荡器(DCO)具备超快唤醒能力,能在不到6µs的时间内将系统从低功耗模式瞬间切换至激活模式,兼顾了低功耗与实时响应的双重需求。
在具体型号上,MSP430F13x、F14x和F14x1等器件均集成了两个16位定时器。其中,F13x和F14x型号配备了快速的12位模数转换器(ADC),为传感器信号采集提供了高精度保障。在通信接口方面,F13x型号提供一个USART串口,而功能更强的F14x和F14x1则配备两个USART端口,并且拥有多达48个I/O引脚,提供了更强大的连接与扩展能力。此外,系列中的部分型号还集成了硬件乘法器,可加速数学运算,提升系统整体性能。凭借其内核与架构的高度一致性,MSP430系列提供了广泛的代码与硬件兼容性,形成了从简单控制到复杂信号处理的可扩展解决方案平台,帮助开发者高效地完成从原型设计到产品量产的整个开发过程。
主要特性
低电源电压范围:1.8V 至 3.6V
超低功耗:激活模式:280µA(在 1MHz 频率和 2.2V 电压条件下)、待机模式:1.6µA、
关闭模式(RAM 保持):0.1µA
5 种省电模式
可在不到 6µs 的时间内从待机模式唤醒
16 位精简指令集 (RISC) 架构,125ns 指令周期时间
具有内部基准、采样保持和自动扫描功能的 12 位模数转换器 (ADC)
具有 7 个捕捉/比较及影子寄存器的 16 位 Timer_B
具有 3 个捕捉/比较寄存器的 16 位 Timer_A
片载比较器
串行板上编程、无需外部编程电压、通过安全保险丝实现的可编程代码保护
串行通信接口 (USART),作为异步 UART 或同步 SPI 接口:MSP430F14x 和MSP430F14x1 器件上有两个 USART(USART0、USART1)、MSP430F13x 器件上有一个 USART (USART0)
系列成员:MSP430F133(8KB + 256B 闪存,256B RAM)、MSP430F135(16KB + 256B 闪存,512B RAM)、MSP430F147、MSP430F1471(32KB + 256B 闪存,1KB RAM)
MSP430F148、MSP430F1481(48KB + 256B 闪存,2KB RAM)
MSP430F149、MSP430F1491(60KB + 256B 闪存,2KB RAM)

功能框图
武芯科技作为通用型芯片烧录器制造商,专注于IC烧录、测试领域。在持续优化更新烧录软件的同时,也在积极扩充和兼容各大厂商的芯片型号的烧录。ET9800烧录器支持一拖八烧录,同时提供联机、脱机等工作模式,可全方位满足德州仪器(TI)MSP430F14x、MSP430F13x、MSP430F14x1系列芯片的裸片离线烧录与在板烧录的量产需求。

ET9800是一款支持联机、脱机的量产型高速烧录器。采用高性能ARM+FPGA的硬件架构设计,编程带宽高达1.6Gb/s;内置128GB eMMC母头模块,能高效提升eMMC母片拷贝的量产效率;配备4.3英寸LCD触摸屏,优化脱机操作的交互体验;支持“一拖八”并行烧录,可实现复杂多样的烧录需求;且设备集成多种丰富接口,涵盖100/1000M以太网、SD卡、USB2.0 Device、RS-232串口、电源开关及接地端子等,灵活适配多元应用场景。同时提供上位机与下位机软件,支持自动化场景定制,适配智能化产线需求;支持各大厂商各种封装的MCU、eMMC、SPI、Nor/Nand flash、Parallel Nor/Nand flash、EEPROM及DSP等类型芯片,烧写稳定、高效。为客户提供创新的多场景芯片(IC)烧录解决方案。